立式单级消防泵XBD-L

产品概述

立式单级消防泵组参照中华人民共和国消防泵标准GB6245-2006《消防泵性能要求和试验方法》之规定,结合本公司多年的生产实践经验,参考现代优秀的水利模型设计而成,专门用于消防系统的离心泵,产品性能达到国内同类产品的先进水平。产品经国家消防装备质量监督检验中心型式试验,各项性能指标全部达到标准要求获得应急部消防产品合格评定中心颁发的《消防产品认证证书》。

说明书

全国联系电话

18058825222
主要用途
立式单级消防泵组主要用于消防系统管道增压送水。也可适用于工业和城市给排水,高层建筑增压送水、远距离送水、采暖、浴室、锅炉冷暖水循环增压、空调制冷系统送水及设备配套等场合。
型号意义

工作条件
1、可输送清水或物理化学性质类似于清水的无腐蚀性介质,其固体不溶物不超过0.1%
2、介质温度:-15°C~80°C。
3、环境温度不大于40°C,相对湿度小于95%。

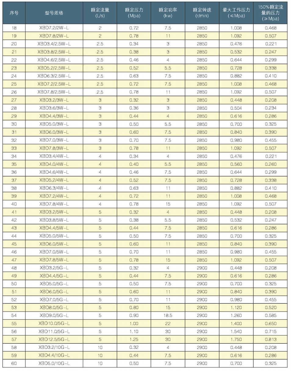
性能范围

流量: 1-120(1/s)

扬程: 30-160(m)

功率:1.5-200(kw)

转速: 2900(r/min)、2850(r/min)

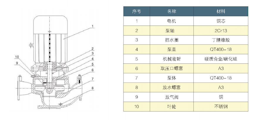
结构图及材料表

结构说明

1、电机与泵同轴,运行平稳,噪音低,振动小。

2、采用硬质合金机械密封,运行寿命长,无泄漏,保证环境整洁

3、进出口径相同,中心高度一致,安装方便

4、泵体底部设有底座和螺栓孔,任意硬性联接或者柔性联接

5、设置放气阀,完全排净泵内空气,确保泵的正常启动。

性能参数表